Bize Ulaşın 0224 443 29 00
Bu serilerin paslanmazları stoklarımızda mevcuttur.
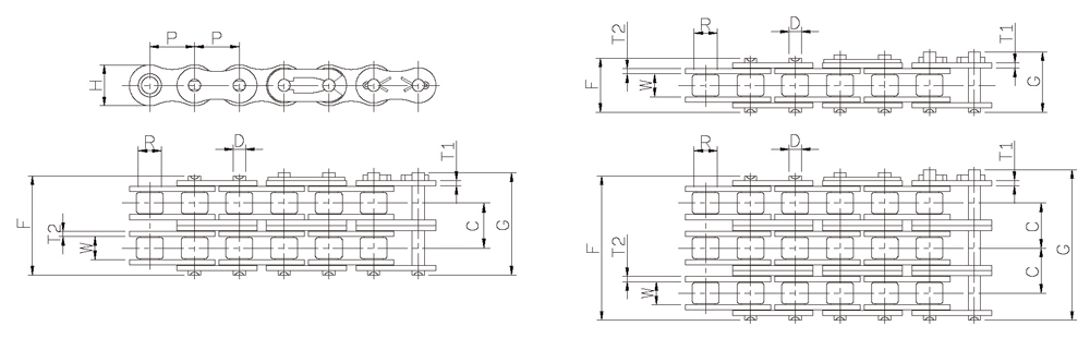
TÜM BESA TİP ZİNCİRLERDE PASLANMAZ ZİNCİRLERİMİZ MEVCUTTUR.
|
CHAIN NO. |
Pitch |
Width |
Roller |
Plate |
Pin |
Transverse Pitch |
Ultimate Strength Kgf(min) |
Approx Weight Kg/m |
|||||
|
P |
W |
Dia |
Height |
Thickness |
Dia |
Length |
|||||||
|
inch |
mm |
(min) |
R(max) |
H(max) |
T1 |
T2 |
D(max) |
F(max) |
G(max) |
C |
|||
|
05B |
0.315” |
8.00 |
3.00 |
5.00 |
7.11 |
0.75 |
0.75 |
2.31 |
8.6 |
11.7 |
- |
449 |
0.16 |
|
05B-2 |
0.315” |
8.00 |
3.00 |
5.00 |
7.11 |
0.75 |
0.75 |
2.31 |
14.3 |
17.4 |
5.64 |
796 |
0.30 |
|
06B |
0.375” |
9.525 |
5.72 |
6.35 |
8.26 |
1.00 |
1.30 |
3.28 |
13.5 |
16.8 |
- |
908 |
0.39 |
|
06B-2 |
0.375” |
9.525 |
5.72 |
6.35 |
8.26 |
1.00 |
1.30 |
3.28 |
23.8 |
27.1 |
10.24 |
1724 |
0.74 |
|
06B-3 |
0.375” |
9.525 |
5.72 |
6.35 |
8.26 |
1.00 |
1.30 |
3.28 |
34.0 |
37.3 |
10.24 |
2541 |
1.09 |
|
08B |
0.5” |
12.70 |
7.75 |
8.51 |
11.81 |
1.50 |
1.50 |
4.45 |
17.0 |
20.9 |
- |
1816 |
0.65 |
|
08B-2 |
0.5” |
12.70 |
7.75 |
8.51 |
11.81 |
1.50 |
1.50 |
4.45 |
31.0 |
34.9 |
13.92 |
3173 |
1.30 |
|
08B-3 |
0.5” |
12.70 |
7.75 |
8.51 |
11.81 |
1.50 |
1.50 |
4.45 |
44.9 |
48.8 |
13.92 |
4541 |
1.92 |
|
10B |
0.625” |
15.875 |
9.65 |
10.16 |
14.73 |
1.50 |
1.50 |
5.08 |
19.6 |
23.7 |
- |
2265 |
0.92 |
|
10B-2 |
0.625” |
15.875 |
9.65 |
10.16 |
14.73 |
1.50 |
1.50 |
5.08 |
36.2 |
40.3 |
16.59 |
4541 |
1.68 |
|
10B-3 |
0.625” |
15.875 |
9.65 |
10.16 |
14.73 |
1.50 |
1.50 |
5.08 |
52.8 |
56.9 |
16.59 |
6806 |
2.62 |
|
12B |
0.75” |
19.05 |
11.68 |
12.07 |
16.13 |
1.70 |
1.80 |
5.72 |
22.7 |
27.3 |
- |
2949 |
1.24 |
|
12B-2 |
0.75” |
19.05 |
11.68 |
12.07 |
16.13 |
1.70 |
1.80 |
5.72 |
42.2 |
46.8 |
19.46 |
5898 |
2.28 |
|
12B-3 |
0.75” |
19.05 |
11.68 |
12.07 |
16.13 |
1.70 |
1.80 |
5.72 |
61.7 |
66.3 |
19.46 |
8847 |
3.55 |
|
16B |
1” |
25.40 |
17.02 |
15.88 |
21.08 |
3.20 |
4.00 |
8.28 |
36.1 |
41.5 |
- |
6122 |
2.65 |
|
16B-2 |
1” |
25.40 |
17.02 |
15.88 |
21.08 |
3.20 |
4.00 |
8.28 |
68.0 |
73.4 |
31.88 |
10816 |
5.25 |
|
16B-3 |
1” |
25.40 |
17.02 |
15.88 |
21.08 |
3.20 |
4.00 |
8.28 |
99.9 |
105.3 |
31.88 |
16327 |
7.86 |
|
20B |
1.25” |
31.75 |
19.56 |
19.05 |
26.42 |
3.50 |
4.50 |
10.19 |
43.2 |
49.3 |
- |
9694 |
3.85 |
|
20B-2 |
1.25” |
31.75 |
19.56 |
19.05 |
26.42 |
3.50 |
4.50 |
10.19 |
79.7 |
85.8 |
36.45 |
17347 |
7.65 |
|
20B-3 |
1.25” |
31.75 |
19.56 |
19.05 |
26.42 |
3.50 |
4.50 |
10.19 |
116.1 |
122.2 |
36.45 |
25510 |
11.45 |
|
24B |
1.5” |
38.10 |
25.40 |
25.40 |
33.40 |
5.20 |
6.00 |
14.63 |
53.4 |
60.0 |
- |
16327 |
7.60 |
|
24B-2 |
1.5” |
38.10 |
25.40 |
25.40 |
33.40 |
5.20 |
6.00 |
14.63 |
101.8 |
108.4 |
48.36 |
28571 |
14.80 |
|
24B-3 |
1.5” |
38.10 |
25.40 |
25.40 |
33.40 |
5.20 |
6.00 |
14.63 |
150.2 |
156.8 |
48.36 |
43367 |
21.90 |
|
28B |
1.75” |
44.45 |
30.99 |
27.94 |
37.08 |
6.30 |
7.50 |
15.90 |
65.1 |
72.5 |
- |
20408 |
9.05 |
|
28B-2 |
1.75” |
44.45 |
30.99 |
27.94 |
37.08 |
6.30 |
7.50 |
15.90 |
124.7 |
132.1 |
59.56 |
36735 |
17.12 |
|
28B-3 |
1.75” |
44.45 |
30.99 |
27.94 |
37.08 |
6.30 |
7.50 |
15.90 |
184.3 |
191.7 |
59.56 |
54082 |
25.61 |
|
32B |
2” |
50.80 |
30.99 |
29.21 |
42.29 |
6.30 |
7.10 |
17.81 |
67.4 |
75.3 |
- |
25510 |
10.63 |
|
32B-2 |
2” |
50.80 |
30.99 |
29.21 |
42.29 |
6.30 |
7.10 |
17.81 |
126.0 |
133.9 |
58.55 |
45918 |
20.85 |
|
32B-3 |
2” |
50.80 |
30.99 |
29.21 |
42.29 |
6.30 |
7.10 |
17.81 |
184.5 |
192.4 |
58.55 |
68367 |
31.57 |
|
40B |
2.5” |
63.50 |
38.10 |
39.37 |
52.96 |
8.00 |
8.50 |
22.89 |
82.6 |
92.8 |
- |
36224 |
16.25 |
|
40B-2 |
2.5” |
63.50 |
38.10 |
39.37 |
52.96 |
8.00 |
8.50 |
22.89 |
154.9 |
165.1 |
72.29 |
64286 |
31.86 |
|
40B-3 |
2.5” |
63.50 |
38.10 |
39.37 |
52.96 |
8.00 |
8.50 |
22.89 |
227.2 |
237.4 |
72.29 |
96939 |
48.14 |
|
48B |
3” |
76.20 |
45.72 |
48.26 |
63.88 |
10.0 |
12.1 |
29.24 |
99.1 |
109.6 |
- |
57143 |
25.05 |
|
48B-2 |
3” |
76.20 |
45.72 |
48.26 |
63.88 |
10.0 |
12.1 |
29.24 |
190.4 |
200.9 |
91.21 |
102041 |
49.83 |
|
48B-3 |
3” |
76.20 |
45.72 |
48.26 |
63.88 |
10.0 |
12.1 |
29.24 |
281.6 |
292.1 |
91.21 |
153061 |
75.07 |
|
56B |
3.5” |
88.90 |
53.34 |
53.98 |
77.85 |
12.3 |
13.6 |
34.32 |
114.6 |
126.3 |
- |
86735 |
35.80 |
|
56B-2 |
3.5” |
88.90 |
53.34 |
53.98 |
77.85 |
12.3 |
13.6 |
34.32 |
221.2 |
232.9 |
106.6 |
163265 |
71.50 |