1987’den Günümüze

Bize Ulaşın 0224 443 29 00

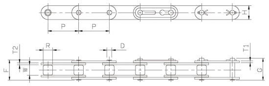
TARIM ZİNCİRİ

Bu serilerin paslanmazları stoklarımızda...

Teknik Mükemmellik:
 

  • Yüksek kaliteli sulanmış, sertleştirilmiş ve kuvvetlendirilmiş çelik
  • SPC (statiksel süreç kontrolü) ile maksimum hassaslıkta üretim
  • ISO 9001 standartlarına göre üretim
  • Hassas çalışma için devamlı kontrol
  • Yüzey kaplamaları
  • Özel yağlar
  • Özel malzemeler (pas ve çürümeye karşı olan malzemeler) 
     

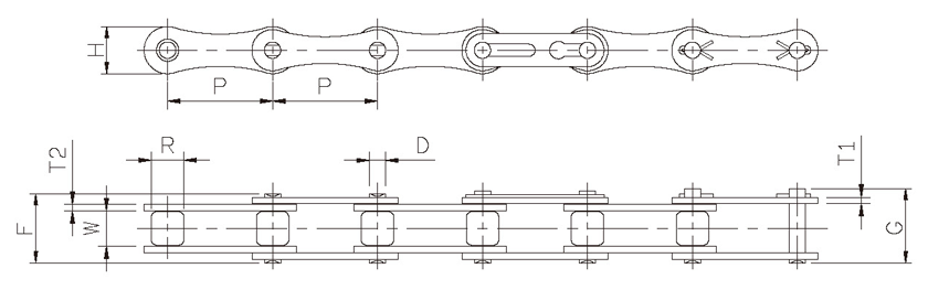
TÜM BESA TİP ZİNCİRLERDE PASLANMAZ ZİNCİRLERİMİZ MEVCUTTUR.

Zamanında Teslimat

Samimi ve Güler Yüzlü Hizmet

Ekonomik Fiyatlar

30 Yıllık Tecrübe