
Ürün Bilgisi
Standar ve özel ölçülerde kamalar
Boy kamalar
Detaylı Açıklama
| SIRA NO SERİAL NO | b | h | b | h | R | l | |
| TOLERANS h9 | TOLERANS h11 | min | max | ||||
| 1 | 3 | 3 | -0.025 | -0.025 | 0.2 +0.1 | 6 - 36 | |
| 2 | 4 | 4 | -0.030 | -0.030 | 8 - 45 | ||
| 3 | 5 | 5 | 10 - 56 | ||||
| 4 | 6 | 6 | 0.4 +0.2 0.5 +0.2 | 14 - 70 | |||
| 5 | 8 | 7 | -0.36 | -0.090 | 18 - 90 | ||
| 6 | 10 | 8 | 22 - 110 | ||||
| 7 | 12 | 8 | -0.043 | 28 - 140 | |||
| 8 | 14 | 9 | 36 - 160 | ||||
| 9 | 16 | 10 | 45 - 180 | ||||
| 10 | 18 | 11 | -0.110 | 50 - 200 | |||
| 11 | 20 | 12 | -0.052 | 0.6 +0.2 | 56 - 220 | ||
| 12 | 22 | 14 | 63 - 250 | ||||
| 13 | 25 | 14 | 70 - 280 | ||||
| 14 | 28 | 16 | 80 - 320 | ||||
| 15 | 32 | 18 | -0.062 | 1.0 +0.2 | 80 - 360 | ||
| 16 | 36 | 20 | -0.130 | 100 - 400 | |||
| 17 | 40 | 22 | 110 - 400 | ||||
| Boy Basamakları ( l ) Size Digits ( l ) | 6 8 10 12 14 16  18 20 22 25 28 | 32 36 40 45 50  56 63 70 80 | 90 100 110 125 140 160 180 200 220 250 280 320 360 400 | 
| Tolerans / Tolerance | -0.2 | -0.3 | -0.4 | 
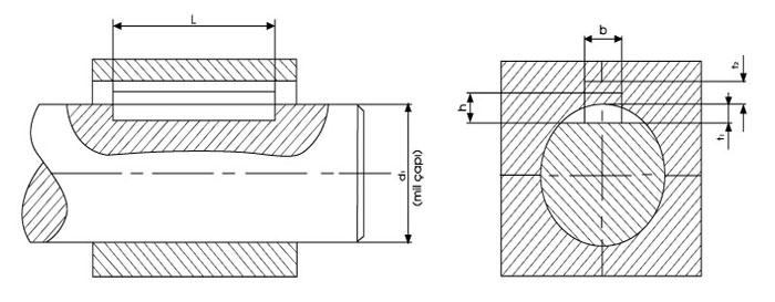
DIN 6885 KAMA YUVASI AÇMA ÖLÇÜLERİ
| Mil Çapı Shaft Diameter (d) min - max | b x h | t1 | t2 | TOLERANS / TOLERANCE | Kama Boyu (l) | |
| t1 | t2 | min - max | ||||
| 8'den 10'a kadar | 3 x 3 | 1.8 | 1.4 | +0.1 | 6 - 36 | |
| 10'dan 12'ye kadar | 4 x 4 | 2.5 | 1.8 | 8 - 45 | ||
| 12'den 17'ye kadar | 5 x 5 | 3 | 2.3 | 10 - 56 | ||
| 17'den 22'ye kadar | 6 x 6 | 3.5 | 2.8 | 14 - 70 | ||
| 22'den 30'a kadar | 8 x 7 | 4 | 3.3 | +0.2 | 18 - 90 | |
| 30'dan 38'e kadar | 10 x 8 | 5 | 3.3 | 20 - 110 | ||
| 38'den 44'e kadar | 12 x 8 | 5 | 3.3 | 28 - 140 | ||
| 44'den 50'ye kadar | 14 x 9 | 5.5 | 3.8 | 36 - 160 | ||
| 50'den 58'e kadar | 16 x 10 | 6 | 4.3 | 45 - 180 | ||
| 58'den 65'e kadar | 18 x 11 | 7 | 4.4 | 50 - 200 | ||
| 65'den 75'e kadar | 20 x 12 | 7.5 | 4.9 | 56 - 200 | ||
| 75'den 85'e kadar | 22 x 14 | 9 | 5.4 | 63 - 250 | ||
| 85'den 95'e kadar | 25 x 14 | 9 | 5.4 | 70 - 280 | ||
| 95'den 110'a kadar | 28 x 16 | 10 | 6.4 | 80 - 320 | ||
| 110'dan 130'a kadar | 32 x 18 | 11 | 7.4 | 90 - 360 | ||
| 130'dan 150'ye kadar | 36 x 20 | 12 | 8.4 | +0.3 | 100 - 400 | |
| 150'den 170'e kadar | 40 x 22 | 13 | 9.4 | 110 - 400 | ||
- Ölçüler mm olarak verilmiştir. / Dimensions are in mm.
- Toleranslar / Tolerances:
 Mil Yuvası / Shaft nest (b): Sıkı geçme / Fit nested P9, Boşluk geçme / Wide nest N9
 Göbek Yuvası / Hub nested (b) : Sıkı geçme / Fit nested P9, Boşluk geçme / Wide nest JS9
 
- Boy basamakları / Lenght steps (l) : 6, 8, 10, 12, 14, 16, 18, 20, 22, 25, 28, 32, 36, 
 40, 45, 50, 56, 63, 70, 80, 90, 100, 110, 125, 140, 160, 180, 200, 220, 250, 280, 320, 360, 400 mm
 
                                    